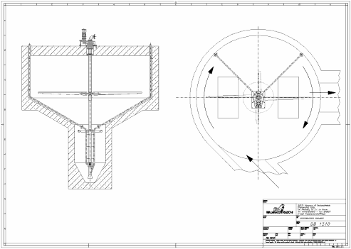
Dynamic sand collector with feeding pipes The dynamic sand collector has the function of extracting the sand (solids) that deposit on the tank bottom. Such extraction is strengthened thanks to the inlet of air from the feeding pipe, located on the side of the reinforced concrete gangway. The siliceous residues are then extracted and made to ascend through the extraction pipe located at the centre of the tank. Mixing vanes are mounted on the top of the dynamic sand collector to keep the solids suspended and thus facilitate the sand decantation. The dynamic sand separator can operate both in manual and/or automatic mode, according to the needs. Drawing of the dynamic sand collector with feeding pipes, model DB 1310
 |